A型、B型便携式相控阵试块
- 标准: NB/T 47013 承压设备无损检测
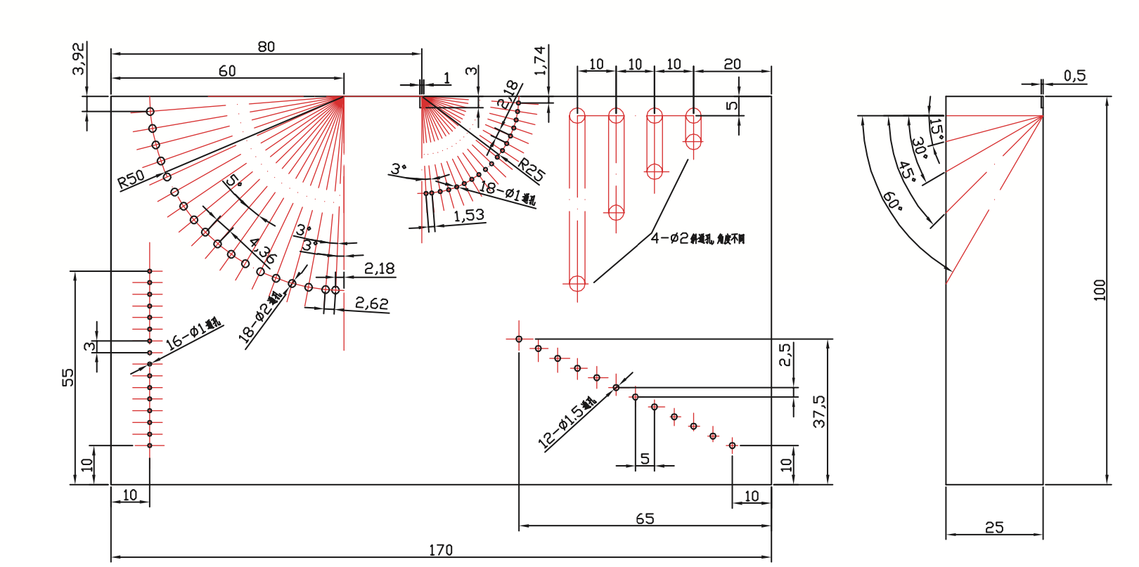
便携相控阵试块具有一系列不同位置、不同角度、不同尺寸的规则通孔和官孔以模拟缺陷,可用来校准相控阵超声探伤仪扇扫成像横向(纵向)分辨力、短缺陷分辨力、扇扫角度分辨力等。按照不同功能分 为A型便携式相控阵试块和B型便携式相控阵试块,具体结构及参数如下。

A型便携式相控阵试块
B型便携式相控阵试块
超声相控阵B型试块是一种具有特定结构和缺陷的试块,用于超声相控阵检测系统中,以模拟实际工件中的缺陷情况,从而校准检测设备的性能、验证检测工艺的有效性,并评估检测结果的准确性。
功能作用
主要用于测试成像横向和纵向几何尺寸测量误差、扇扫角度范围误差和扇扫角度分辨力。
类型
根据用途和标准不同,可分为校准试块、对比试块和模拟试块等。具体如下:
校准试块:通常具有一系列不同位置、不同角度、不同尺寸的规则通孔和盲孔,用于校准超声相控阵检测设备的声速、楔块延时、ACG、TCG等参数。
对比试块(参考试块):具有与待检测工件相似的结构和材料特性,并包含一系列已知的缺陷,用于与待检测工件进行对比,评估检测结果的准确性和可靠性。
模拟试块(演示试块):用于模拟实际检测过程中的复杂情况,如焊缝坡口成像、焊接自然缺欠等,以验证检测工艺的有效性和评估检测人员的技能水平。
结构特点
一般来说,B型试块上有不同区域,如B-1区、B-2区、B-3区等,每个区域有不同的结构设计,例如B-1区有一系列通孔用于测量成像横向几何尺寸测量误差等。
应用领域
在无损检测领域具有广泛的应用,特别是在核工业、航空工业等对检测精度和可靠性要求较高的领域。
相关标准
通常遵循国际或国内的相关标准,如ISO2400、ISO19675、GB/T32563以及ASME、ASTM E2491-08等标准。
使用方法
成像横向几何尺寸测量误差:将探头放置在试块B中B-1区一系列通孔的左端面及B-2区一系列通孔的下端面,调节设备实现线性扫查或扇形扫查得到清晰图像,测量不同孔图像之间的横向距离测量值,计算与标称值的差值。
成像纵向几何尺寸测量误差:将探头放置在试块B中B-1区一系列通孔下端面,调节设备实现线性扫查或扇形扫查得到清晰图像,测量不同孔图像之间的纵向距离测量值,计算与标称值的差值。
扇扫角度范围测量误差:将探头放置在试块B中B-3区一系列通孔的上端面,设定不同的扇形扫查角度范围,调节设备实现扇形扫查得到清晰的图像,数出缺陷图像的数目并计算实际扫查角度。
扇扫角度分辨力:将探头放置在试块B中B-3区一系列的上端面,调节设备实现扇形扫查,图像中所能分开的最小角度间距即为该工作状态下的扇扫角度分辨力。