JIS-STB-A3 日本标准试块
- 标准: 日本标准 JIS Z 2345:2000
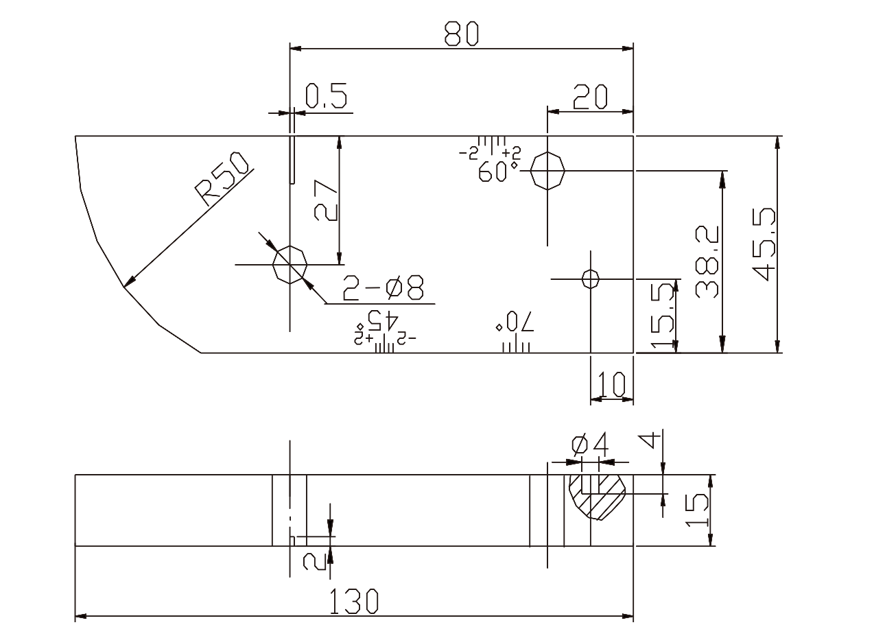
JIS-STB-A3是日本的一种超声检测标准试块,执行JIS Z 2345:2000标准。其相关信息如下:
用途:主要用于调整超声检测设备的工作灵敏度和测试范围,以及测量斜探头的折射角和探头指数,为超声检测提供统一的标准和参考,确保检测结果的准确性和可靠性。
材料与规格:通常采用1018钢制作,并进行镀镍处理。试块尺寸为15mm×45.5mm×130mm。
相关试块:属于STB-A3系列的还有STB-A31、STB-A32和STB-7963等试块,它们在超声检测中也各自有着特定的用途和作用。
