我公司依据NB/T47013.6和NB/T47013.13及其他涡流标准生产的涡流试样在制和在用承压设备用导电性金属 材料管材、零部件、焊接接头表面及近表面缺陷的涡流检测。
ABC三条槽的深度为0.2、0.5、 1.0,误差0.05. 由T3状态的2024铝合金 或导电性能相近的合金材料加工制成。

校准试块应采用与被检工件相同或相近的材料制作,槽宽小于0.2mm,槽深为 0.5mm、1.0mm、2.0mm,误差0.1mm.可采用已知厚度的非导体弹性垫片来模拟涂层,也可以在校准试块上喷涂实际涂层,推 荐垫片厚度为0.5毫米的整数倍。

铁磁性管材涡流检测适用于外径不小于4mm铁磁性无缝管、镍及镍合金管、焊接钢管的涡流检测。

非铁磁性金属管材涡流检测,适用于穿过式线圈检测系统,对于铜及铜合金无缝管,可检测管材为外径 φ3mm~φ160mm,壁厚为0.2mm~6mm;对于铝及铝合金无缝管,可检测管材,外径为小于或等于φ38mm壁厚小 于或等于2mm;对于钛及钛合金无缝管,可检测的管材的外径为φ4mm~φ65mm,壁厚为0.5mm~4.5mm。对比试 样的孔径参考NB47013.6-2015中的要求。

铁磁性换热管的远场涡流检测适用于外径为12.5mm~60mm、壁厚为0.7~4mm的铁磁性钢管的远场涡流检测及 远场涡流测厚,仪器检测灵敏度。


在用非铁磁性换热管的涡流检测适用于外径10~200mm,壁厚0.75~8.0mm的非铁磁性管涡流检测及涡流测厚。



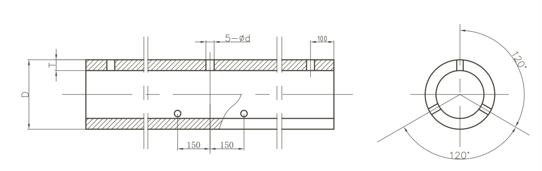
脉冲涡流检测用于带有覆盖层的承压设备本体母材壁厚减薄的检测。管道试件和平板试件1用于核查仪器灵敏 度,平板试件2用于测试系统在其量程范围内的性能参数。



