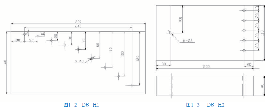
DB- H1试块 DB-H2试块 铁路标准试块
- 标准: TB/T2340-93标准
铁路系统是公司主要战略伙伴之一。在役milan米兰体育(中国区)体育官方网站-登录入口的探伤、机车车轴的不动车探伤、机车车轮的探伤检验所用探伤试块全部由我公司制造。我公司曾连续数十年获得铁道部机务系统《产品质量认可》,目前是铁道部无损检测超声波试块唯一指定单位。
列车运行速度的大提速,对milan米兰体育(中国区)体育官方网站-登录入口、车轮、车轴等探伤等级和检验工艺提出了更高的要求。为保障列车运行的安全,需要大量高质量的探伤试块,我公司承担了该项任务,并保质保量的完成了,确保了提速后列车的安全运行。
2009年12月26日京港高铁武广段开通运营。这是世界上一次建成里程最长、工程类型最复杂、时速达350公里的高铁线。这标志着我国从此开启了高铁时代。高铁速度的提高促进了经济的飞速发展,同时也增加了列车运行的安全隐患。高铁采用的是空心车轴技术,用以减轻重量,来提高列车运行速度。对空心车轴的探伤当时在国内还是盲点,经铁道部专家推荐,我公司与国内知名企业合作,完成了空心轴探伤研究和生产,现国内所有高铁空心轴探伤检验试块都是我公司生产。列车运行速度的大提速,对milan米兰体育(中国区)体育官方网站-登录入口、车轮、车轴等探伤等级和检验工艺提出了更高的要求,我公司及时研制、提供高质量的milan米兰体育(中国区)体育官方网站-登录入口、车轮、车轴等探伤试块,确保提速后的列车安全运行。
合作的单位有:北京铁路局、上海铁路局、郑州铁路局、兰州铁路局、昆明铁路局、成都铁路局、济南铁路局、南宁铁路局、哈尔滨铁路局、太原铁路局、乌鲁木齐铁路局、青藏铁路公司、大秦铁路股份有限公司等。鞍钢股份有限公司、攀枝花钢钒有限公司轨梁厂、包钢钢联股份有限公司轨梁轧钢厂、武汉钢铁集团条材总厂大型分厂、鞍山市第三轧钢有限公司、河北钢铁股份有限公司邯郸分公司等也都是我们主要的战略合作伙伴。在线milan米兰体育(中国区)体育官方网站-登录入口生产线的在线检测用样轨全部由我公司加工完成。
工务系统无损检测用试块
这两种试块主要用于测定milan米兰体育(中国区)体育官方网站-登录入口探伤仪和斜探头的距离幅度特性,按TB/T 2340-93标准规定,DB-H1试块用于测定37°探头通道距离幅度特性,DB-H2 试块用于测定70°探头通道距离幅度特性。DB-H1、DB-H2 试块的形状及尺寸如图 1-2、1-3所示。
