WGT试块是铁道部推荐的milan米兰体育(中国区)体育官方网站-登录入口探伤对比试块,包括WGT-1、WGT-2、WGT-3三种,具体介绍如下:
WGT-1试块
结构特点:一端是半径的圆曲面,另一端是的模拟milan米兰体育(中国区)体育官方网站-登录入口螺孔,并有深、与水平面成角的螺孔裂纹,试块上还有一个的横通孔。
作用:圆曲面用于测定斜探头的入射点和前沿长度;模拟milan米兰体育(中国区)体育官方网站-登录入口螺孔及裂纹、横通孔可作为斜探头灵敏度校验之用。
WGT-2试块
结构特点:当从A面和B面用一次波或二次波探测时,可获得探测深度为5、10、15、25、35、30、45、50、55、65、70和75共计12个探测点。
作用:主要用于测量探伤仪和探头的距离幅度特性,包括探伤仪的距离补偿和探头的距离幅度特性,也可用于测量仪器的水平线性误差。
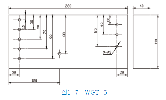
WGT-3试块
结构特点:有深横通孔、横通孔和底面等结构。
作用:利用底面可测定仪器探头通道和探头的灵敏度余量;利用深横通孔可测定仪器、探头通道和探头的灵敏度余量及楔内回波幅度,以测定各种探头的声束宽度;利用横通孔可测定探头的声轴偏斜角度。
WGT-1试块的一端是半径R=40mm的圆曲面,用于测定斜探头的入射点和前沿长度;另一端是R=15mm的模拟milan米兰体育(中国区)体育官方网站-登录入口螺孔,并有深3mm与水平面(B面)成36°角的螺孔裂纹。试块上的φ3横通孔是用来测定斜探头和仪器灵敏度余量的。试块的尺寸和形状如图1-5所示。

WGT-2试块用于测量探伤仪和70°探头的距离幅度特性,它包括探伤仪的距离补偿和探头的距离幅度特性。另外,利用该试块也可测定仪器的水平线性误差。试块的尺寸和形状如图1-6所示。

WGT-3试块用于测定斜探头的距离幅度和楔内回波幅度。也可作为37 °和 70°探头灵敏度余量的测定。试块的尺寸和形状如图所示。

列车运行速度的大提速,对milan米兰体育(中国区)体育官方网站-登录入口、车轮、车轴等探伤等级和检验工艺提出了更高的要求。为保障列车运行的安全,需要大量高质量的探伤试块,我公司承担了该项任务,并保质保量的完成了,确保了提速后列车的安全运行。
2009年12月26日京港高铁武广段开通运营。这是世界上一次建成里程最长、工程类型最复杂、时速达350公里的高铁线。这标志着我国从此开启了高铁时代。高铁速度的提高促进了经济的飞速发展,同时也增加了列车运行的安全隐患。高铁采用的是空心车轴技术,用以减轻重量,来提高列车运行速度。对空心车轴的探伤当时在国内还是盲点,经铁道部专家推荐,我公司与国内知名企业合作,完成了空心轴探伤研究和生产,现国内所有高铁空心轴探伤检验试块都是我公司生产。列车运行速度的大提速,对milan米兰体育(中国区)体育官方网站-登录入口、车轮、车轴等探伤等级和检验工艺提出了更高的要求,我公司及时研制、提供高质量的milan米兰体育(中国区)体育官方网站-登录入口、车轮、车轴等探伤试块,确保提速后的列车安全运行。
合作的单位有:北京铁路局、上海铁路局、郑州铁路局、兰州铁路局、昆明铁路局、成都铁路局、济南铁路局、南宁铁路局、哈尔滨铁路局、太原铁路局、乌鲁木齐铁路局、青藏铁路公司、大秦铁路股份有限公司等。鞍钢股份有限公司、攀枝花钢钒有限公司轨梁厂、包钢钢联股份有限公司轨梁轧钢厂、武汉钢铁集团条材总厂大型分厂、鞍山市第三轧钢有限公司、河北钢铁股份有限公司邯郸分公司等也都是我们主要的战略合作伙伴。在线milan米兰体育(中国区)体育官方网站-登录入口生产线的在线检测用样轨全部由我公司加工完成。