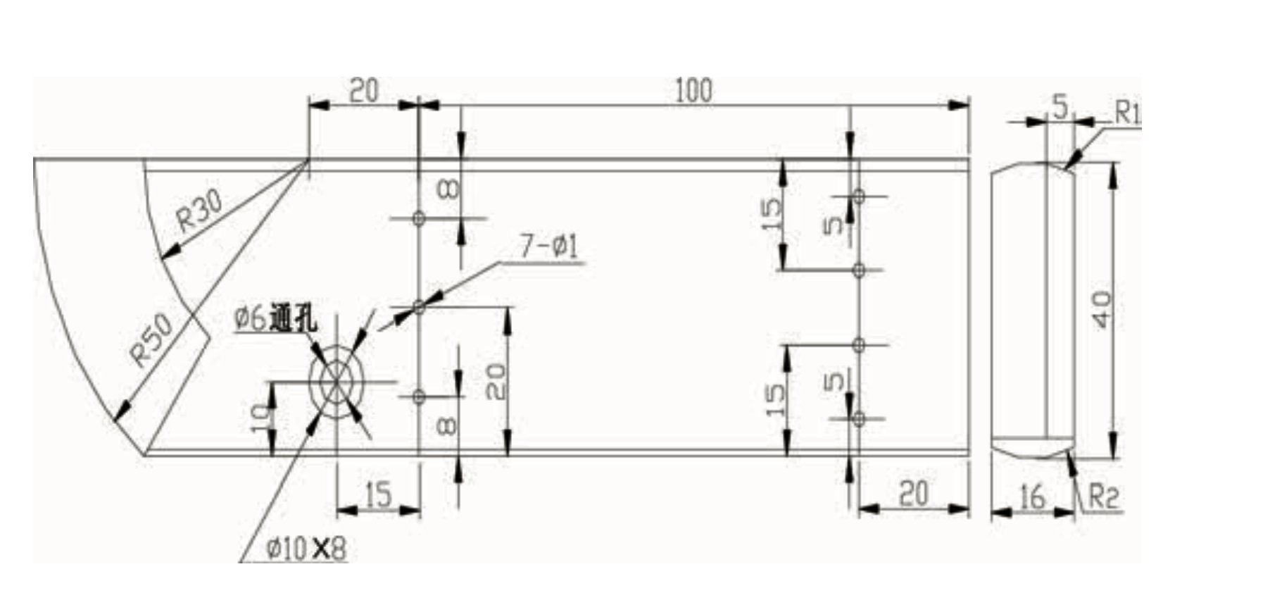
DL-1 小径管焊接接头超声波检验专用试块
- 品牌: 瑞祥牌
- 标准: DL/T 820-2019管道焊接接头
- 材质: 20钢
DL-1试块
DL/T 820-2002中、小径管焊接接头超声波检验专用试块。DL-1中、小径管焊接接头超声波探伤专用试块,在原小径管试块的基础上扩大了尺寸范围,一套共五块,适用范围如下表。
DL - 1试块是一种超声波标准试块,属于电力行业标准试块。
特点与用途
适用标准:按照中华人民共和国电力部标准DJ/T820 - 2019制造。
检测对象:主要用于金属材料制承压设备用原材料、零部件和焊接接头的超声检测,也可用于金属材料制在用承压设备以及与承压设备有关的支承件和结构件的超声检测。
材料选择:通常采用与被检测工件相同或近似的材料制成,以保证检测结果的准确性。


