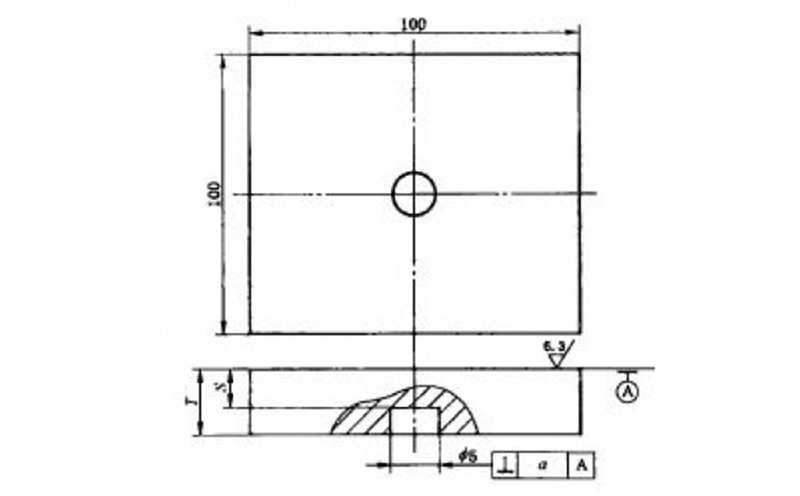
单直探头检验用对比试块

电话咨询
邮件咨询
在线地图
QQ客服